
If you are looking for isuzu wiring diagram rodeo 2002 npr fuse box diagrams repair autozone 2009 transmission guides harness pickup 1993 chassis repairguide relay you've come to the right place. We have 30 images about 1998 Isuzu Npr Wiring Diagram including images, pictures, photos, wallpapers, and more. In these page, we also have variety of images available. Such as png, jpg, animated gifs, pic art, logo, black and white, transparent, etc.
isuzu wiring diagram rodeo 2002 npr fuse box diagrams repair autozone 2009 transmission guides harness pickup 1993 chassis repairguide relay
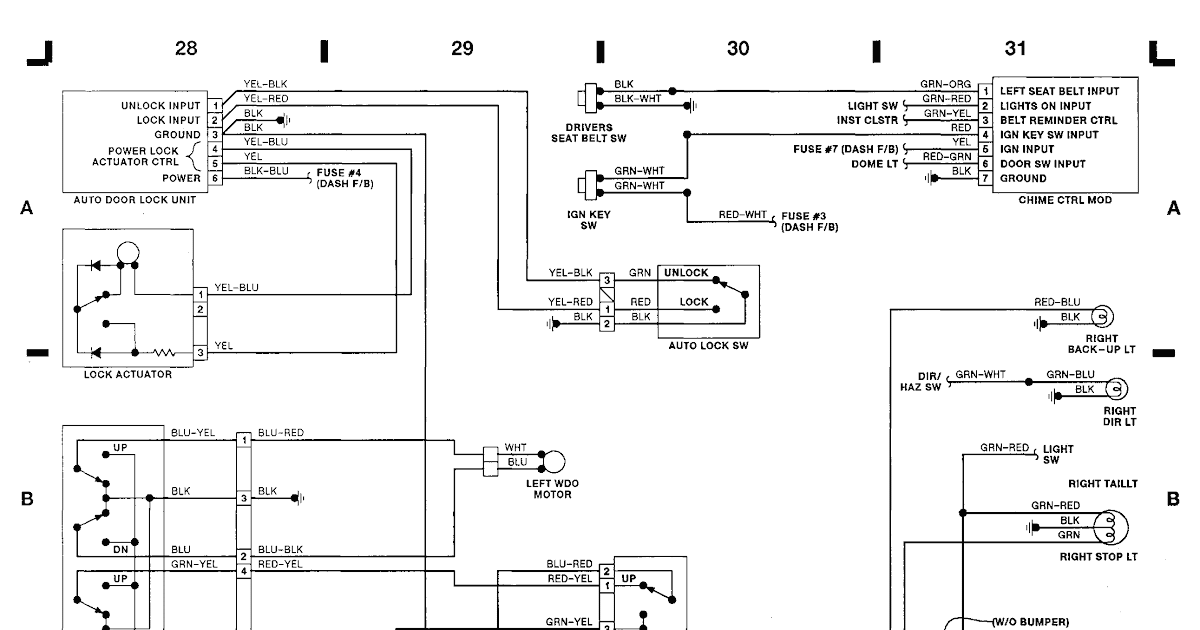
isuzu npr diagram wiring 1999 signal turn fuse panel headlight diagrams 1993 wire 2000 schematic trooper nqr mey ferguson schematics
wiring diagram isuzu engine diagrams 2000 1998 trusted rh electrical schematics npr
isuzu wiring diagram trooper diagrams npr rodeo fuse box engine llv 1998 1997 truck autozone source forums i0 guides repair
isuzu wiring diagram npr sensor rodeo knock 2006 2001 1998 harness 1995 speed window wheel radio wire trooper stereo power
isuzu diagram fuse box hombre 1997 wiring rear 1998 circuit wizard info version carknowledge
isuzu npr wiring diagram rear diagrams nrr wiringforums
isuzu wiring diagram npr 2006 amigo trooper radio pickup 2000 jvc 1995 kw tankbig tiburon aftermarket hyundai rodeo schematic stereo
isuzu fuse diagram trooper 1998 box 2000 main circuit breaker rodeo block wiring relay location window carfusebox
isuzu wiring diagram alternator npr gmc truck sample turn looking amazing signals
isuzu wiring diagram npr 2004 relay fuse sunroof 2002 2003 repair axiom rodeo autozone trooper library pdf diagrams tail fig
isuzu wiring diagram npr 2000 fuse rodeo pump 1998 fuel headlight honda 1999 civic trooper wire 1994 hombre schematics radio
wiring isuzu diagram rodeo cooper mini 2003 1998 schematic 2002 diagrams cyl takeuchi tl130 wire engine location caterpillar electric door
wiring isuzu diagram alternator npr trooper sample
isuzu diagram fuse trooper box 1998 1999 relay info wiring carknowledge genius
isuzu wiring npr diagram gas engine 1994 truck diagrams 1995 fvz 2009 w4 1993 justanswer
isuzu diagram wiring npr 1999 computer fuse gas v8 gmc ecm lock anti brake abs manual nqr kv radiator fits
isuzu npr wiring diagram diagrams 2006 wire schematic alternator 2005 ftr blower 1995 motor truck relay radio gas circuit 2000
isuzu diagram wiring npr 1996 manual belt panther conditioning electrical chas 2004 honda
Don't forget to bookmark 1998 Isuzu Npr Wiring Diagram using Ctrl + D (PC) or Command + D (macos). If you are using mobile phone, you could also use menu drawer from browser. Whether it's Windows, Mac, iOs or Android, you will be able to download the images using download button.